咨询服务热线:187-9028-1901
热门关键词: 500bar高压清洗机 管道清洗机 反应釜高压清洗机 超高压清洗机
全国服务热线
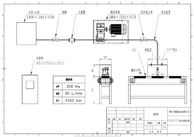
全自动通过式高压水电池壳、电池清洗机
随着社会的发展,新能源电池被广泛应用,高压水清洗绿色环保,纯物理清洗的特点,也使其被应用到各个行业,针对不同的材质,选用不同压力设备,根据清洗工件大小或清洗效率选择主机流量,通过式不锈钢全密封清洗房、输送线,plc自动控制、报警保护等,很大限度的实现自动化。
那么为什么要清洗电池壳或电池呢?由于原材料的特殊性,废电池危害性极大,原材料亦可经过特殊工艺二次利用,那么大规模的就电池、电池壳就需要清洗才可投入市场;一般污渍有铁锈、油垢、灰或硅盐酸残留物等,全自动通过式自动线为很择。
高压水通过式清洗机优势:
完整高压水冲洗,通过调节设备压力,清洗不同的污垢,高压水的冲击力大于污渍的附着力,从而达到清洗的效果,
全自动化,一键启动,PLC英威腾变频控制,输送感应,缺项过载保护,清洗过程可视可控,
定制清洗机构,往返式、螺旋式、直喷式、直喷往复式等,更的提高清洗效率,
设备操作简单,易损件少,维护保养方便简单,
按需定制,可增配循环沉淀系统,过滤系统,风干系统等。
压力10-300兆帕,流量11-170升可选,能满足各类清洗需求。
上一篇:全自动水喷砂清洗线优势有哪些